WPC Doors Frames

Our Products

WPC Door Frames

A Solid Frame for a Lasting Foundation

Conventional wooden frames come with hidden liabilities—warping, moisture damage, termite infestations, and high maintenance. Woodtec WPC Door Frames offer a revolutionary alternative engineered for long-term durability. Made from high-density WPC material, these frames are waterproof, termite-proof, fire-retardant, and eco-friendly. Our frames are compatible with standard woodworking tools and require no special treatment.

Available in a variety of sizes, with optional moulding and beading, Woodtec frames are a perfect fit for main entrances, interior doors, and bathrooms. Once you finalize your frame, the recipe is locked—ensuring consistent quality batch after batch. No shortcuts. No compromise.

WPC Door Frames

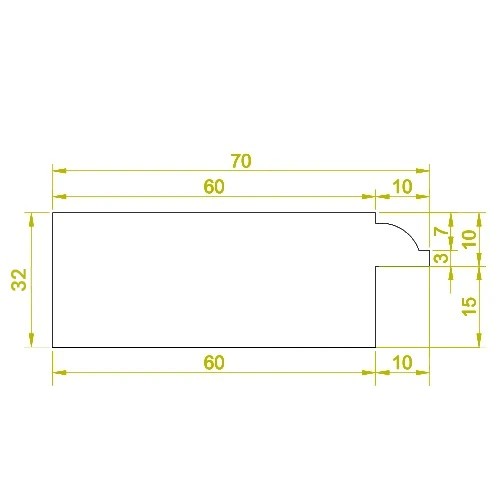
Sizes View Image Technical Drawing
3×1.5 inch (70 X 32 mm) Window Profile Frame
3×2 inch (76.2 X 50.9 mm) Single Rebate
3×2 inch (76.2 X 50.9 mm) With Moulding
3.75×2.25 inch (95.25 X 57.15 mm) With Moulding
4×2.5 inch (101.6 X 63.5 mm) Single Rebate
4×2.5 inch (101.6 X 63.5 mm) With Moulding
5×2.5 inch (127 X 63.5 mm) Single Rebate
5×2.5 inch (127 X 63.5 mm) Double Rebate
6×2.5 inch (152.4 X 63.5 mm) Single Rebate
6×2.5 inch (152.4 X 63.5 mm) Double Rebate
10×12 mm WPC Glass Beading
15×32 mm WPC Moulding

Traditional wooden frames are inherently hygroscopic, meaning they absorb and release moisture based on the environment. This constant “breathing” leads to cracks in the surrounding plaster and doors that suddenly won’t shut during the monsoon.

A Woodtec WPC solid door frame eliminates this structural headache. Because our composite material is non-porous and high-density, it provides a level of dimensional stability that natural timber simply cannot match. When you install a solid WPC door frame, you are installing a product that is:

100% Waterproof : Ideal for high-traffic coastal areas or high-moisture interior zones.

Termite and Borer Proof : In many parts of India, a wooden frame is essentially a dinner invitation for pests. WPC offers zero nutritional value to insects, ensuring the skeleton of your doorway stays intact.

Ready to Finish : Our frames come with a smooth, factory-grade finish that can be painted or polished to match any interior palette, or left in its natural state for a clean, contemporary look.

As a developer or a homeowner, the phrase WPC door frame near you is often the start of a search for reliability. We understand that construction timelines are tight and labor costs are rising. This is why our WPC door frame solutions are designed for ease of installation.

Unlike traditional wood which requires seasoning, treatment, and often significant onsite carpentry to correct natural bends, every WPC solid door frame from Woodtec is extruded to precise specifications. They arrive straight, stay straight, and feature high screw-holding capacity, making them the preferred choice for modern “dry construction” techniques.

While a solid WPC door frame is an obvious upgrade for a luxury villa, its true value is felt in everyday residential and commercial applications.

Bathrooms and Kitchens: These are the most aggressive environments for any building material. A WPC door frame in these areas prevents the “bottom-rot” commonly seen in wooden frames exposed to floor mopping and water splashes.

External Entryways: We use UV-stabilized polymer blend ensures that the outdoor frame doesn’t become brittle or discolored under the harsh Indian sun.

Large Scale Projects: For builders, the uniformity of a WPC solid door frame ensures that every apartment meets the same high standard of quality.
Finding a WPC door frame nearby is more than just a matter of location. It’s about connecting with a supplier who truly grasps the local environment and architectural requirements. At Woodtec, we provide more than just products; we deliver assurance. Our frames are crafted using sustainable methods that transform wood waste into top-quality building materials.

Opting for a durable WPC door frame is a smart move, one that pays dividends down the line. It lessens the burden of upkeep, helps keep your doors properly aligned, and supports a more environmentally friendly construction approach.

A door is only as good as the frame that holds it. By choosing a Woodtec WPC door frame, you are choosing both nature and technology. Whether you are searching for a WPC door frame near you for a quick renovation or specifying a WPC solid door frame for a new commercial landmark, our products provide the strength, beauty, and durability that modern India demands.

FAQs

Wood is “hygroscopic,” meaning it breathes and swells as humidity changes. This is why doors that fit perfectly in the summer suddenly won’t shut in the rainy season. A WPC solid door frame is non-porous and dimensionally stable. It won’t expand or contract, ensuring your doors stay perfectly aligned year-round.

Yes. Our WPC door frame solutions are extruded to high-density specifications, giving them excellent screw-holding capacity. They provide the “heft” and structural integrity required for both lightweight internal doors and heavy main entrance doors without warping over time.

Absolutely. While they look clean in their natural state, every WPC solid door frame from Woodtec comes with a factory-grade smooth finish. They are “ready to finish,” meaning you can paint or polish them to match your specific interior palette just like traditional wood.

By opting for a WPC door frame, you are choosing a sustainable alternative to forest timber. We use recycled wood waste and eco-friendly polymers, reducing the pressure on natural forests while providing a product that lasts much longer than traditional wood.